PyGRITbx - Tutorial Series Part 1: May The Forces Resolve for You
Outline
This blog post is the first part of a 3-part series. In this series, I would like to introduce you to my python toolbox with a tutorial based on a project given to mechanical engineering students following the course “02SXJJM - Fundamentals of Machine Design” at Politecnico di Torino. My best hope is that this series would serve as a guide for the reader in future projects concerning geargbox design validation. The complete code for this tutorial can be found here.
In this part, you will learn how to:
- Install the toolbox along with the necessary tools.
- Define the components inside the gearbox as python objects.
- Configure the interactions between different components via shafts and meshes.
- Calculate the reaction forces on the bearings based on the given operating point.
Please feel free to contribute by sharing your thoughts regarding either the tutorial itself, the toolbox, or both.
Prerequisites
To follow this series, it’s expected that the reader:
- has studied applied mechanics (or the like)
- has basic programming skills (python is used here)
- is aware of engineering terms like: stress, static and fatigue verification, safety factor, stress concentration factors, Haigh diagram
- is using Visual Studio Code with Jupyter and Pylance extensions installed
What is PyGRITbx?
Python-based Gearbox Realiability and Integriy Toolbox assists mechanical engineering students (or even engineers) working on the design verification of a gearbox. Given an operating point as a boundary condition, the toolbox calculates the loads on the components constituting the gearbox (gears, shafts, and bearings), and verifies the design/choice of each component based on its defined properties. The toolbox is built and can only be used with python.
How do I use it?
It’s recommended to use the Jupyter extension within Visual Studio Code to define and analyze a specific gearbox configuration, as well as perform all the required analyses. The reason is that with Jupyter, the user can write the code in a series of blocks and run each block separately. In this specific context, this allows the user to perform step-by-step definitions and calculations in order to perform all the required analyses sequentially.
Having Pylance as yet another Visual Studio Code extension helps the user with recommendations while coding the problem at hand. For example, when defining components by their corresponding characteristics, Pylance will give recommendations on the characteristics that need to be defined based on the Class to which the specific component belongs. More on that in the next sections.
Installation
To install the toolbox:
- Install Python.
- Open the Command Prompt (Windows) or Terminal (MacOS) (addressed as cmd in the rest of the tutorial).
- If you don’t use environments in your python devlepment, proceed to step 4. If you use environments in your python development, either activate a desired environment or create a new one and activate it.
- Type
pip install pygritbxthen hit the enter key. - Note that the toolbox relies on Numpy, Matplotlib and Scipy. Therefore, make sure they are installed before proceeding to use the toolbox. In theory, these libraries will be installed automatically with the toolbox but it’s better to make sure they’re there before starting any project.
- Make sure you have the latest version of the toolbox by first typing
pythoninto your cmd then hit enter. Once python is activated, typeimport pygritbx as pgtthen hit enter. After that typeprint(pgt.__version__)and hit enter. This will print the version number of the toolbox that you have currently installed. Make sure it’s the same version number as the one shown following this link.
To install Visual Studio Code, choose the right one based on your computer’s operating system: VS Code
First Lines of Code as a Check
Create an empty folder and open it with VS Code. Create a new file and, for simplicity, let’s call it “project.ipynb”. Open the file and add a new code block by pressing on "+ Code". Inside the block, type the following:
import numpy as np
import pygritbx as pgt
print(pgt.__version__)
# output example:
# 1.1.2
Making sure the block is selected you can press Shift+Enter to execute the code and show the output which in this case is the version number of the toolbox you have installed. In this block, we also import Numpy which we will use in the next block.
Add another block to define the reference frame that we will use in the project:
i = np.array([1, 0, 0])
j = np.array([0, 1, 0])
k = np.array([0, 0, 1])
RF = np.array([i, j, k])
Make sure to press Shift+Enter to run the code in the block.
The unit vectors ‘i’, ‘j’, and ‘k’, correspond to the ‘x’, ‘y’, and ‘z’ axes, respectively. You can think of ‘RF’ as the reference frame holding the three unit vectors together.
To proceed with our project, we must first understand the characteristics of its underlying components. Therefore, in the next section, we will check how to define the necessary objects one by one.
Gearbox Configuration
The gearbox we will attempt to analyze in this tutorial can be seen in Figure 1. This is taken from the project of the academic year 2024/2025. The gearbox is composed of:
- Input shaft A1 transmitting power from the input motor via key L1 to gear R1. The shaft is supported by bearings A and B.
- Gear mesh transmitting power from gear R1 to gear R2. Denote it by M1.
- Intermediate shaft transmitting power from gear R2 to gear R3 by spinning around the spindle P.
- Gear mesh transmitting power from gear R3 to gear R4. Denote it by M2.
- Output shaft A2 transmitting power from gear R4 via key L2 to the output user via the key L3. The shaft is supported by bearings C and D.

A simplified scheme can be seen in Figure 2. In this scheme, we can see the orientation of the:
- input angluar velocity
- input torque
- output load (forces and torque)
- gear tooth inclination
with respect to the given reference frame.

Input Motor
Starting with the input motor, the given characteristics are shown in Table 1.
| Power [W] | Speed [rpm] |
|---|---|
| 6000 | 2750 |
To define the input motor in our code:
# Input Motor
input_motor = pgt.Motor(name="Input Motor", power=6e3, n=2750, axis=+k)
This defines the input motor object input_motor with the label “Input Motor”, power set to “6000 [W]”, rotational speed set to “2750 [rpm]”, and rotating around the “z-axis” in the positive direction.
Note that a Motor object is represented by the power equation which is the product of torque and rotational speed:
$$ Power = Torque * Speed $$
Therefore when defining a Motor object, it’s necessary to provide at least 2 out of these 3 values and the toolbox will calculate the third.
In this particular case, we provide the object definition with power and speed; hence, the toolbox will automatically calculate the torque vector. This can be checked by executing the following:
print(input_motor.ETs[0].torque)
# output
# [ 0. 0. 20.83482891]
By first converting the rotational speed unit to [rad/s], the toolbox then divides the power by the converted speed value to get the torque as a vector acting in the same direction as the rotational speed.
Gears
Next, we are the given the gears’ characteristics which can be seen in Table 2.
| Property | R1 | R2 | R3 | R4 |
|---|---|---|---|---|
| Normal Module (mn) [mm] | 2.5 | 2.5 | 2.5 | 2.5 |
| Number of teeth (z) [-] | 18 | 73 | 19 | 51 |
| Helix Angle (ψ) [°] | 20 | 20 | 20 | 20 |
| Normal Pressure Angle (Φn) [°] | 20 | 20 | 20 | 20 |
| Transmission Accuracy Level (Qv) [-] | 7 | 7 | 7 | 7 |
| Tooth Face Width [mm] | 30 | 30 | 30 | 30 |
| Ultimate Strength (σu) [MPa] | 1060 | 1950 | 1950 | 1060 |
| Yield Strength (σy) [MPa] | 950 | 1400 | 1400 | 950 |
| Surface Hardness [HB] | 335 | 560 | 560 | 335 |
| Bending Fatigue Strength (σFP) [MPa] | 320 | 450 | 450 | 320 |
| Contact Fatigue Strength (σHP) [MPa] | 860 | 1360 | 1360 | 860 |
Note that these properties can be classified into:
- Gear Material Properties
- Gear Physical Properties
In our definition, we will separate these 2 sets of properties. We can also see that gears R1 and R4 share the same material properties, while gear R2 material properties match that of gear R3.
# Gear Material Properties Definition
R1R4_material = pgt.Material(name='Steel', sigma_u=1060, sigma_y=950, HB=335)
R2R3_material = pgt.Material(name='Steel', sigma_u=1950, sigma_y=1400, HB=560)
At this point, the object R1R4_material holds material properties for gears R1 and R4, while R2R3_material holds material properties for gears R2 and R3. These material objects will be used during the defintion of the gear objects as follows.
NOTE: DO NOT RUN THE FOLLOWING CODE BLOCK JUST YET. THERE’S ONE MORE PARAMETER THAT WILL BE DISCUSSED SHORTLY.
# Gears
# R1
R1 = pgt.Gear(name="R1", axis=k, m_n=2.5, z=18, psi=20, phi_n=20, Q_v=7, FW=30, material=R1R4_material)
# R2
R2 = pgt.Gear(name="R2", axis=k, m_n=2.5, z=73, psi=-20, phi_n=20, Q_v=7, FW=30, material=R2R3_material)
# R3
R3 = pgt.Gear(name="R3", axis=k, m_n=2.5, z=19, psi=20, phi_n=20, Q_v=7, FW=30, material=R2R3_material)
# R4
R4 = pgt.Gear(name="R4", axis=k, m_n=2.5, z=51, psi=-20, phi_n=20, Q_v=7, FW=30, material=R1R4_material)
At this point, each gear object has a label, axis of rotation, normal module, number of teeth, helix angle, normal pressure angle, transmission accuracy level, tooth face width, and material properties defined.
Bearings
Defining bearing objects isn’t as straightforward as the previous definitions unfortunately. This is because bearings come in different types, each type with its own set of properties. However, some of these properties are shared across different types of bearings (e.g. bearing width, internal diameter, reference speed, etc.). PyGRITbx supports only SKF bearings, and luckily, the SKF Rolling Bearings catalogue is freely available for anyone to download.
Using the catalogue, we will define bearing objects by their properties. Some additional properties related to the specific configuration of the gearbox will also be defined and explained in the following.
Bearings A and B are given as SKF 30203 (Explorer) bearings. By searching through the SKF Catalogue, we find their characteristics as shown in Figure 3 and Figure 4, in the row enclosed in the blue rectangle.


Similarly, we can find bearings C and D which are designated by SKF 30208 (Explorer). Their characteristics are shown in Figure 5 and Figure 6 in the row enclosed in the blue rectangle.


Based on the information from the catalogue, we can then define the bearing objects in python as follows.
NOTE: DO NOT RUN THE FOLLOWING CODE BLOCK JUST YET. THERE’S ONE MORE PARAMETER THAT WILL BE DISCUSSED SHORTLY.
# Supports
# A (roller 30203)
A = pgt.Support(name="A", type="Roller", bearingType="Tapered", catalogueName="30203",
catalogueType="Explorer", d=17, D=40, B=13.25, C=23.4e3, C0=18.6e3, Pu=1.83e3,
nr=15e3, a=9, e=0.35, X=0, Y=1.7, Y0=0.9, Y1=0, Y2=0, A=0, kr=0, shoulder=-1,
arr="B2B", axis=k)
# B (roller 30203)
B = pgt.Support(name="B", type="Pin", bearingType="Tapered", catalogueName="30203",
catalogueType="Explorer", d=17, D=40, B=13.25, C=23.4e3, C0=18.6e3, Pu=1.83e3,
nr=15e3, a=9, e=0.35, X=0, Y=1.7,Y0=0.9, Y1=0, Y2=0, A=0, kr=0, shoulder=1,
arr="B2B", axis=k)
# C (roller 30208)
C = pgt.Support(name="C", type="Roller", bearingType="Tapered", catalogueName="30208",
catalogueType="Explorer", d=40, D=80, B=19.75, C=75.8e3, C0=68e3, Pu=7.65e3,
nr=7e3, a=16, e=0.37, X=0, Y=1.6, Y0=0.9, Y1=0, Y2=0, A=0, kr=0, shoulder=-1,
arr="B2B", axis=k)
# D (roller 30208)
D = pgt.Support(name="D", type="Pin", bearingType="Tapered", catalogueName="30208",
catalogueType="Explorer", d=40, D=80, B=19.75, C=75.8e3, C0=68e3, Pu=7.65e3,
nr=7e3, a=16, e=0.37, X=0, Y=1.6, Y0=0.9, Y1=0, Y2=0, A=0, kr=0, shoulder=1,
arr="B2B", axis=k)
# F
F = pgt.Support(axis=k) # Generic bearing for the spindle. Characteristics are irrelevant.
It’s worth spending a couple of words regarding the properties defined which are NOT present in the SKF Catalogue:
- name: this is simply a label that you are free to choose or simply leave empty.
- type: this can be either Roller or Pin, depending on the support type. Each shaft is supported by at least 2 supports and it’s necessary to define one of the supports as Roller and the other as Pin. Sometimes this is given in the scheme in Figure 2. In this specific example and by looking at shaft A1, we can see that both bearings, A and B, are Pins; therefore, how do we choose which to define as Roller and which as Pin? The answer: it doesn’t matter. This is because the SKF catalogue provides a way to calculate the axial forces as shown in Figure 7. But don’t worry, PyGRITbx will do this calculation for you.
- bearingType: depending on the bearing type, this could be Ball, Tapered, or Contact Ball bearing.
- catalogueType: based on the SKF Catalogue, the bearing could be a Standard or Explorer bearing.
- shoulder: this parameter is set to 1 if the axial shoulder is located in the positive sense of the shaft’s axis with respect to the bearing and -1 otherwise. Example: if the shaft’s axis is pointing to the right and the shoulder is to the right of the bearing, the parameter must be set to 1. If the shaft’s axis is pointing to the right and the shoulder is to the left of the bearing, the parameter must be set to -1.
- arr: this is the arrangement the bearing is currently in. It could be Single, F2F, B2B, Tandem, or Double row, depending on the given arrangement.
- axis: the unit vector corresponding to the axis around which the bearing rotates.

At this stage, one might think that we should move on to defining shafts and meshes. However, there’s a specific reason as to why I asked you not to run the code blocks regarding gears and bearings. The reason is that with our current definition, the components will be simply floating in the air without any specific location! Therefore, the next section will be dedicated to explaining how to find the locations of the components and how to define them.
Components’ Locations
In this section, you’ll learn how to easily define your components’ locations. Locations of components belonging to the same shaft is an essential part of calculating the reaction forces produced by the bearings. PyGRITbx gives you the possibility to define the:
- Absolute location of the component relative to a chosen reference frame defined as a vector.
- Relative location of the comopnent relative to the rotation axis of the shaft it belongs to defined as a scalar.
Depending on the given, one way or the other might be convenient for you. In our example, relative distances between components are given as shown in Figure 8. Let’s break it down one shaft at a time.

- Shaft A1
For this shaft, we have to locate the following components:
- Bearing A at its pressure center
- Bearing B at its pressure center
- Gear R1 at its midplane
Bearing A will be located at the origin as shown in Figure 9. Our mission is to calculate $\mathbf{a_1}$ and $\mathbf{b_1}$ to locate bearing B and gear R1.

However, given that the bearing is a tapered roller bearing, we’re actually saying that the bearing’s pressure center, which has an offset from the bearing’s center point, is located at the origin (point in red circle in Figure 10).

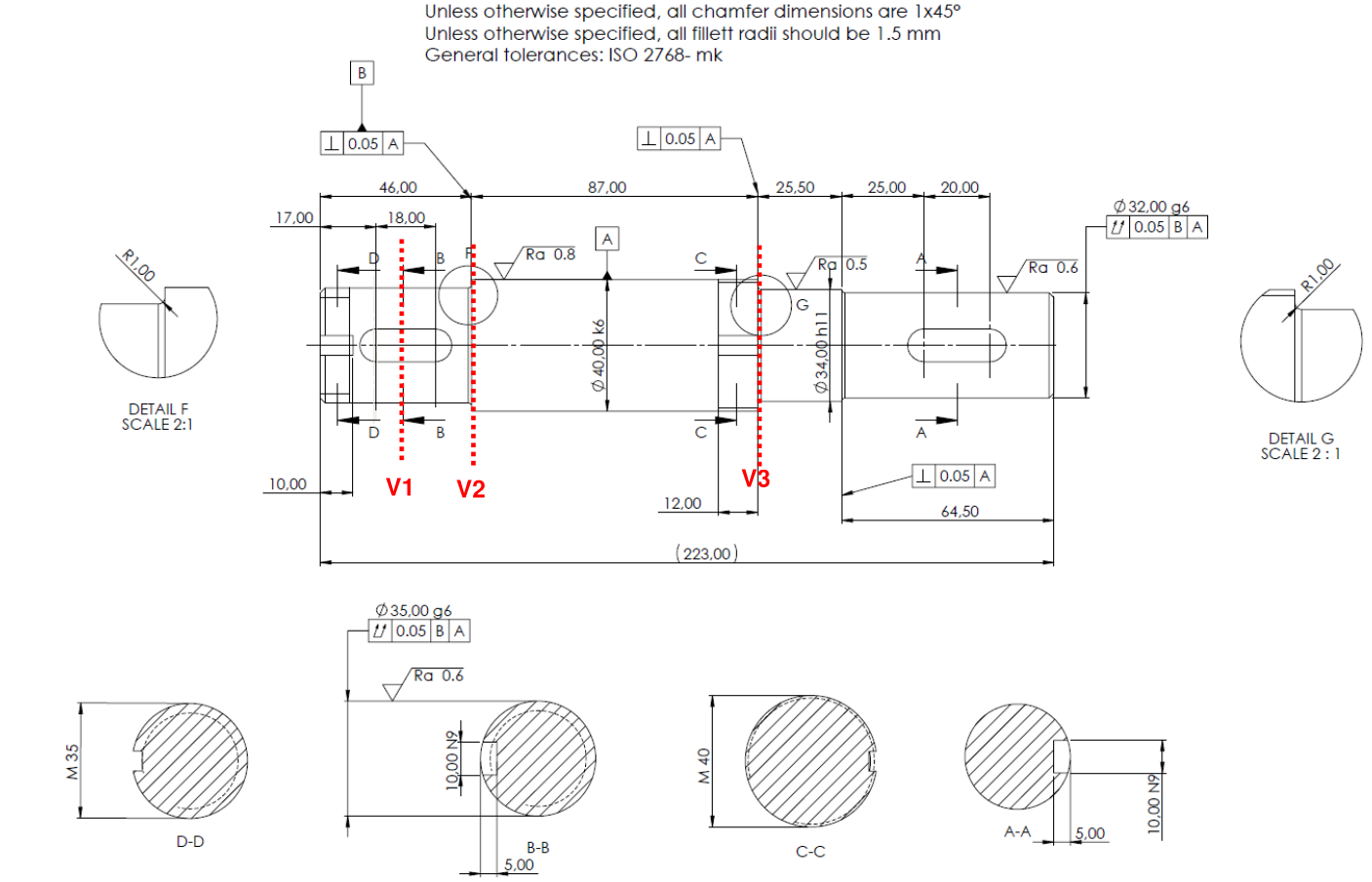
To calculate $\mathbf{a_1}$ and $\mathbf{b_1}$, we will refer to shaft A1’s zoomed-in scheme in Figure 11.

The distance between the faces of the bearings A and B is reported as 28.75 [mm]. The pressure center of bearing A is offset to the left and that of bearing B is offset to the right. Therefore, to calculate $\mathbf{a_1}$, we simply have to follow the equation:
$$ a_1 = a_A + 28.75 + a_B = 9 + 28.75 + 9 = 46.75 [mm] $$
To calculate $\mathbf{b_1}$, we have that the distance from the right side of bearing B to the left side of gear R1 is 24.25 [mm]. To that, we have to add the distance from the pressure center of bearing B to the rightmost side of bearing B, and half of the width of gear R1 so as to locate it at its middle plane.
To calculate the distance between bearing B’s pressure center and its rightmost side, we simply subtract the offset distance of the pressure center from the width of the bearing. Therefore, to calculate $\mathbf{b_1}$, we follow the equation:
$$ b_1 = (B_B - a_B) + 24.25 + (FW_{R1}/2) = (13.25 - 9) + 24.25 + (30/2) = 43.5 [mm] $$
At this point, we can define the location of all the components on shaft A1 as shown in the following code block:
# Shaft A1 Components' Locations
a1 = 46.75 # [mm]
b1 = 43.5 # [mm]
zA = 0 # [mm]
zB = a1
zR1 = a1 + b1 # [mm]
Note that since these locations are defined as scalars, they are NOT the absolute locations of the components. They actually represent the relative locations of the components with respect to shaft A1’s rotational axis! The aboslute locations of the components will be calculated automatically by the toolbox once we define shafts and meshes.
Now let’s switch our focus to the spindle.
- Spindle P
Locating the components on this spindle is unnecessary for the purpose of the project. In fact, it’s impossible to accurately locate the components on the spindle relative to each other due to missing information. However, we can still make some assumptions so as to portray the locations of the subsequent components in the global reference frame.
Components that need to be located are:
- Gear R2 at its midplane
- Gear R3 at its midplane
For simplicity, we will assume that the location of gear R2 is at the origin of the spindle and that the location of gear R3 is represented by a scalar which is bigger than the sum of half the widths of both gears. That is:
$$ z_{R3} > (FW_{R2}/2) + (FW_{R3}/2) = (30/2) + (30/2) = 30 [mm] $$
We will assume it as 55 [mm]. Therefore, the locations are defined as follows:
# Spindle P Components' Locations
zR2 = 0 # [mm]
zR3 = 55 # [mm]
Now let’s switch to the final set of locations on shaft A2.
- Shaft A2
For this shaft, we have to locate the following components:
- Gear R4 at its midplane in the center of key L2
- Bearing C at its pressure center
- Bearing D at its pressure center
- Output load by user via key L3
Similar to shaft A1, we’ll refer to the scheme shown in Figure 12. Similarly, we’d need to calculate $\mathbf{z_R}$, $\mathbf{a_2}$, $\mathbf{b_2}$, and $\mathbf{c_2}$.

To calculate these locations, we’d need to refer to the zoomed in scheme of shaft A2 (Figure 13) as well as the technical drawing of the shaft (Figure 14).


From the technical drawing, we can directly calculate $\mathbf{z_R}$ as:
$$ z_R = 17 + (18/2) = 26 [mm] $$
To calculate $\mathbf{a_2}$, we must first calculate bearing C’s pressure center, $\mathbf{z_C}$. We can see from the technical drawing that the leftmost side of bearing C must be located at 46 [mm] from the leftmost side of shaft A2. This means that bearing C’s pressure center can be located by adding the bearing’s width to that value, then subtracting the center’s offset as shown in the following equation:
$$ z_C = 46 + B_C - a_C = 46 + 19.75 - 16 = 49.75 [mm] $$
Then, we can calculate $\mathbf{a_2}$:
$$ a_2 = z_C - z_R = 49.75 - 26 = 23.75 [mm] $$
Similar to $\mathbf{a_1}$, we can calculate $\mathbf{b_2}$ by adding the offsets of bearings C and D to the given value of 25 [mm]:
$$ b_2 = a_C + 25 + a_D = 16 + 26 + 16 = 58 [mm] $$
Finally, we can calculate $\mathbf{c_2}$ as follows (as practice, try to figure out why by using Figure 13):
$$ c_2 = (58.5 - a_D) + 35 = (58.5 - 16) + 35 = 77.5 [mm] $$
At this point, we can define the location of all the components on shaft A2 as shown in the following code block:
# Shaft A2 Components' Locations
a2 = 23.75 # [mm]
b2 = 58 # [mm]
c2 = 77.5 # [mm]
zR4 = 26 # [mm]
zC = zR4 + a2
zD = zC + b2
zOut = zD + c2 # [mm]
After having located all the components, we can finally rewrite the blocks defining the gears and bearings with one additional parameter: loc.
NOTE: ONLY AFTER RUNNING THE CODE BLOCKS FOR DEFINING THE LOCATIONS CAN YOU RUN THE FOLLOWING BLOCKS FOR GEARS AND BEARINGS!
# Gears
# R1
R1 = pgt.Gear(name="R1", loc=zR1, axis=k, m_n=2.5, z=18, psi=20, phi_n=20, Q_v=7, FW=30, material=R1R4_material)
# R2
R2 = pgt.Gear(name="R2", loc=zR2, axis=k, m_n=2.5, z=73, psi=-20, phi_n=20, Q_v=7, FW=30, material=R2R3_material)
# R3
R3 = pgt.Gear(name="R3", loc=zR3, axis=k, m_n=2.5, z=19, psi=20, phi_n=20, Q_v=7, FW=30, material=R2R3_material)
# R4
R4 = pgt.Gear(name="R4", loc=zR4, axis=k, m_n=2.5, z=51, psi=-20, phi_n=20, Q_v=7, FW=30, material=R1R4_material)
# Supports
# A (roller 30203)
A = pgt.Support(name="A", type="Roller", bearingType="Tapered", catalogueName="30203",
catalogueType="Explorer", d=17, D=40, B=13.25, C=23.4e3, C0=18.6e3, Pu=1.83e3,
nr=15e3, a=9, e=0.35, X=0, Y=1.7, Y0=0.9, Y1=0, Y2=0, A=0, kr=0, shoulder=-1,
arr="B2B", axis=k, loc=zA)
# B (roller 30203)
B = pgt.Support(name="B", type="Pin", bearingType="Tapered", catalogueName="30203",
catalogueType="Explorer", d=17, D=40, B=13.25, C=23.4e3, C0=18.6e3, Pu=1.83e3,
nr=15e3, a=9, e=0.35, X=0, Y=1.7,Y0=0.9, Y1=0, Y2=0, A=0, kr=0, shoulder=1,
arr="B2B", axis=k, loc=zB)
# C (roller 30208)
C = pgt.Support(name="C", type="Roller", bearingType="Tapered", catalogueName="30208",
catalogueType="Explorer", d=40, D=80, B=19.75, C=75.8e3, C0=68e3, Pu=7.65e3,
nr=7e3, a=16, e=0.37, X=0, Y=1.6, Y0=0.9, Y1=0, Y2=0, A=0, kr=0, shoulder=-1,
arr="B2B", axis=k, loc=zC)
# D (roller 30208)
D = pgt.Support(name="D", type="Pin", bearingType="Tapered", catalogueName="30208",
catalogueType="Explorer", d=40, D=80, B=19.75, C=75.8e3, C0=68e3, Pu=7.65e3,
nr=7e3, a=16, e=0.37, X=0, Y=1.6, Y0=0.9, Y1=0, Y2=0, A=0, kr=0, shoulder=1,
arr="B2B", axis=k, loc=zD)
# F
F = pgt.Support(axis=k) # Generic bearing for the spindle. Characteristics are irrelevant.
Output / User / Load
One more step remains before we start defining how all these components interact with each other via shafts and meshes. This is a relatively simple step where we define a generic compnent that represents the output load produced by the user. If you paid close attention to the locations defined in the previous section, you’ll realize there’s a $\mathbf{z_{Out}}$ defined which I haven’t mentioned before. This is indeed the relative location of the load with respect to shaft A2.
From Figure 2, we know how this output load is oriented but we don’t know its magnitude. It’s given as a set of equations (Figure 15) with respect to other loads that need to be calculated first.

Therefore, for the time being, we will only define the component and then update its forces after we perform some initial calculations:
# Output Component
output = pgt.Component(name="Output", axis=k, loc=zOut)
Shafts & Meshes
In this section, we will define our last components. Shafts and Meshes are special components in PyGRITbx because they allow us to define how all the other regular components interact with each other. Moreover, the toolbox calculates the absolute locations of all components (if not already defined) using these special components. So without waiting further, let’s start defining these special components.
- Shaft A1
I think by now, you got a hint of how the toolbox works: if you want to define a certain component, let’s say a shaft, then you’d need to type something like pgt.Shaft(...) and identify its characteristics in the parantheses. You wouldn’t be wrong to think that; hence, the definition of A1:
# Shaft A1 Definition
A1 = pgt.Shaft(name="A1", inputs=[input_motor], outputs=[R1], sups=np.array([A, B]), axis=k,
loc=[0, 0, 0])
Some words regarding the shaft’s defined parameters:
- name: this is simply a label that you are free to choose or simply leave empty.
- inputs: an array of defined objects that represent the input load(s) from the shaft’s perspective.
- outputs: an array of defined objects that represent the output load(s) from the shaft’s perspective.
- sups: an array of defined supports that are supposed to hold the shaft.
- axis: the unit vector corresponding to the axis around which the shaft rotates.
- loc: a vector that represents the absolute location of the shaft with respect to the global reference frame.
- material: a defined material object that holds the material characteristics of the shaft.
When we execute the code in the previous block, PyGRITbx calculates the absolute locations of all the components involed in the definiion: input(s), output(s), and supports.
Now we can move to our first mesh definition.
- Mesh M1
To define a mesh, we need to understand which is the driving gear and which is the driven gear. For the mesh between gears R1 and R2, the former is the driving and the latter is the driven. Moreover, we need to understand a property called radiality. Imagine putting your finger on the center of the driving gear, R1, then try to move your finger along one axis or two axes to reach the center of the driven gear, R2, in the shortest way possible. Which axis or axes did you have to follow? The answer to this question is the radiality array. In our case, to go from gear R1 to gear R2, along the shortest path, you need to move along the y-axis in the negative sense; therefore, the radiality is set to -j. One last thing to note is that this is an external gear mesh and not an internal gear mesh. Hence, the definition of the mesh can be seen in the following block:
# Mesh M1 Definition
M1 = pgt.GearMesh(name="M1", drivingGear=R1, drivenGear=R2, radiality=[-j], type="External")
Given that the definition of shaft A1 calculated the absolute location of gear R1, with the defintion of mesh M1 we actually just calculated the absolute location of gear R2. This is because PyGRITbx already calculated all the necessary properties of the gears (e.g. pitch radius), and using the radiality property, it knows in which direction to go to locate the center of gear R2 from gear R1.
Now we can define the spindle as another shaft.
- Spindle P
Similar to shaft A1, spindle P would have a name, inputs, outputs, and sups properties. For the location? Well, given that we know gear R2’s relative location with respect to the spindle and that gear R2’s absolute location has just been calculated by the definition of mesh M1, the toolbox will calculate the absolute location of the spindle automatically. As a result, we can define the spindle as follows:
# Spindle P Definition
spindleP = pgt.Shaft(name="P", inputs=[R2], outputs=[R3], sups=np.array([F, F]), axis=k)
Note that from the spindle’s perspective, it receives an input load from gear R2 (input) and transfers that through gear R3 (output). The supports are there but we’re not required to calculate any reaction forces on them so it doesn’t really matter.
- Mesh M2
Can you already define mesh M2 on your own? It’s very similar to that of M1. I’ll give it to you without further explanation and I suggest you try implementing it on your own first:
# Mesh M2 Definition
M2 = pgt.GearMesh(name="M2", drivingGear=R3, drivenGear=R4, radiality=[j], type="External")
- Shaft A2
Finally, we come to the last component definition. Similar to A1, we will use the pgt.Shaft(...) definition; however, we’d only need to define the shaft’s material beforehand, similar to how we defined that of the gears:
# Shaft A2 Material Properties Definition
shaftMaterial = pgt.Material(name='34NiCrMo6', sigma_u=1050, sigma_y=950, sigma_Dm1=520)
The difference is that the shaft’s material doesn’t have a surface hardness property, and that it has the fatigue limit stress ‘$\boldsymbol{\sigma_{D-1}}$’ property.
After that, we can define the shaft as follows:
# Shaft A2 Definition
A2 = pgt.Shaft(name="A2", inputs=[R4], outputs=[output], sups=np.array([C, D]), axis=k,
material=shaftMaterial)
If you reached this point, CONGRATULATIONS! You’ve completed the hardest part of the project and now you can sit there and see the toolbox do its magic calculating all the required forces as we will discover in the next section.
May the Forces Resolve For You
In the previous section, we learnt how to define the components a gearbox is composed of (gears, bearings, shafts, users). We also learnt how to define the interactions between these components using shafts and meshes. Now is the time to harvest some fruits in return: solving for the exchanged forces between components and the reactions produced by the bearings.
It’s important to note that approaching such problems is a sequential process. In other words, if you’re solving this project by hand, you would start by the torque equilibrium condition on shaft A1 around the z-axis to get the torque on gear R1 (in this case, it’s the same as the torque produced by the input motor but in the opposite sense). Through the torque, you would then calculate the tangential force acting on gear R1 by dividing this calculated torque by the pitch radius of the gear. After that, you can use the pressure and helix angles to calculate the resultant force acting on gear R1 which you can then resolve into the axial and radial directions. From there, you can apply equilibrium equations and equations given by the SKF catalogue to calculate all the reaction forces produced by the bearings.
Sounds hideous? Yes. How many times did I have to do it in my life? Countless. Hence, the toolbox!
Shaft A1
Using PyGRITbx, you only need to call the function .solve() on shaft A1 and it will do all of this for you! Through the process, the toolbox will prompt you with some questions. Let’s see an example by solving for shaft A1:
# Solving for shaft A1
A1.solve()
Once you run the previous block, you’ll get the output shown in Figure 16. PyGRITbx first checks the torque equilibrium on the shaft around its rotational axis and, if that’s not satisfied, it attempts to resolve it by setting the output torque equal to the input torque but in the opposite sense. If that is done successfully, you’ll get the prompt in Figure 17 telling you that a torque has been detected on the output (in this case gear R1); therefore, would you like to solve for the torque equilibrium of that component around its rotational axis? In other words, would you like to calculate the forces on gear R1? These are the tangential, radial, and axial forces since R1 is a gear. Therefore, our answer should be y.


Once you hit enter after inserting y, you’ll get additional messages informing you that the toolbox is attempting to solve the forces on gear R1 (Figure 18). Once an equilibrium is reached on gear R1, the toolbox switches its focus back to shaft A1 and checks its force equilibrium. If the force equilibrium isn’t satisfied then you’ll get the prompt shown in Figure 19 asking you to solve the reaction forces on the bearings that support the shaft. If you’re interested in the reaction forces, then you should enter y and hit enter. Otherwise, enter n and hit enter. In this case, we are interested so we must enter y and hit enter.


Eventually, the toolbox will calculate the reaction forces produced by the bearings, and it will output the relevant messages to confirm that. Furthermore, in case of tapered roller bearings, it will inform you of the specific case it found to solve the axial forces based on the SKF Catalogue.

To see the reaction forces, run the following blocks:
# Reaction Forces on Bearing A
print(A.F_tot.force)
# output
# [-809.65663399 475.8122391 -865.57152262]
# Reaction Forces on Bearing B
print(B.F_tot.force)
# output
# [1679.80485557 -812.84590846 548.86347056]
Gear R2
For gear R2, we would like to transmit the forces from gear R1 to it. Again, we simply use the .solve() function but this time on the gear object R2:
# Solving for Gear R2
R2.solve()
Running this block will produce the messages shown in Figure 21. The toolbox checks the torque equilibrium of gear R2 around its rotational axis. If that’s not satisfied, it checks for the solvability. Particularly, the toolbox goes and looks at the meshes in which gear R2 is included. If there are torques/forces already resolved in those meshes, then the toolbox will pass them onto the gear.
Given that we already solved for gear R1 when we answered yes on the first prompt while solving for shaft A1, the toolbox resolved the torque and forces in mesh M1 in hindsight. Now that we call .solve() on R2, the toolbox finds those torque and forces and applies them onto gear R2.

Spindle P
For spindle P, we only care about transmitting the load from gear R2 to gear R3. So let’s run the following code block:
# Solving for Spindle P
spindleP.solve()
When prompted with solving the equilibrium for gear R3, we should answer y. However, when prompted with calculating the reaction forces on the spindle, we should answer n. The output messages are shown in Figure 22.

Gear R4
Now that we solved for gear R3 via the spindle P, we can directly jump to solve for gear R4 just like we did for gear R2 after solving shaft A1.
# Solving for Gear R4
R4.solve()
Output
Now that we solved for gear R4, we actually have the torque applied on shaft A2. Recalling the equations to calculate the forces exerted by output user from Figure 15, we can actually now set the forces of the output user via the following block:
# Calculating the Forces on Output User
Fout_r = np.abs(np.sum(R4.ETs[0].torque)) / 0.1 * j
Fout_a = 0.25 * np.abs(np.sum(Fout_r)) * (-k)
Fout = pgt.Force(force=Fout_a+Fout_r, loc=output.abs_loc)
A2.outputs[0].updateEFs([Fout])
First, we calculate the radial force. This is equal to the torque on R4 (equal to torque on A2) in the positive y-axis direction; hence, the multiplication with the unit vector j.
Second, we calculate the axial force. This is 0.25 multplied by the radial force but directed in the negatice z-axis direction; hence, the multiplication with the unit vector -k.
Third, we define a Force via the toolbox whose vector is the sum of the radial and axial forces and location coincides with the absolute location of the output component we defined earlier.
Finally, we update the forces on the first, and only, output of the shaft A2.
Shaft A2
At this point, we can resolve the forces on shaft A2 and answer y on the prompt regarding the calculation of the reaction forces. We will not get the prompt for solving the equilibrium on the output because in this case the output is NOT a gear but a generic component.
# Solving for Shaft A2
A2.solve()

To check the reaction forces on the bearings C and D, we can run the following blocks:
# Reaction Forces on Bearing C
print(C.F_tot.force)
# output
# [-4712.18425533 -217.84651183 -1474.13035668]
# Reaction Forces on Bearing D
print(D.F_tot.force)
# output
# [ 1368.98319344 -3345.14448819 3257.97407164]
Final Words
If you made it to this point, then you survived my attempt to portray my experience in explaining this exercise that I had taught for several years. Congratulations, mastering this part will help you save time solving this project.
In short, we analysed the configuration of a given gearbox composed of an input, intermediate, and output shaft. Power is transmitted from the input motor to the output user thanks to the gears mounted on the shafts. All the loads exchanged during the power transfer are supported by the SKF bearings that hold the shafts in place.
Through this analysis, we were able to define objects representing these components. We also configured the interaction between said components. This allowed us to model the power flow by calculating the loads exhanged between them as well as the reaction forces produced by the bearings.
With this, we conclude the first part of the gearbox components design verification process via a simple toolbox: PyGRITbx. For the next part, we will perform the static and fatigue verification on shaft A2. So stay tuned =)
References
- Richard G. Budynas and J. Keith Nisbett, Shigley’s Mechanical Engineering Design, McGraw-Hill, 2006.
- SKF Group, SKF Rolling Bearings Catalogue, SKF. SKF Rolling Bearings
- Tutorial Complete Code